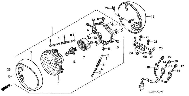
To replace the headlight, take out the two screws located at 4 o'clock and 8 o'clock on the rim. Holding the top of the rim tightly, pull out on the bottom of the rim until it releases. Pivot it up slightly and lift off slowly. Inside, you will find a three pronged plug. Holding the rim in your passive hand, use your dominant hand ONLY ON the plug (never pull the wires) and wiggle it off. Set the now free assembly on a soft cloth or towel face down. Note there is a wire clip. See the pic below for an exploded view.
