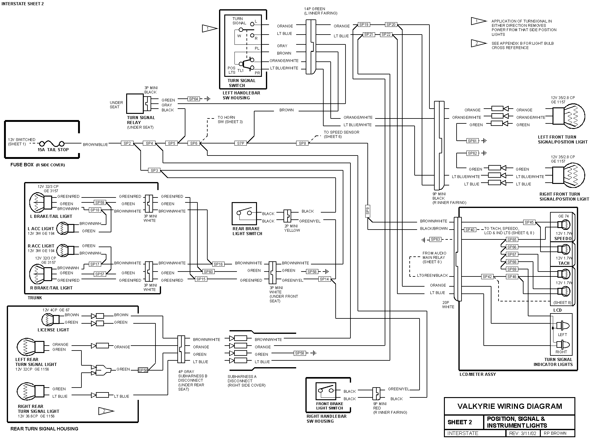
Sheet: Symbols S1 S2 S3 S4 S5 S6 S7 S8 S8a APa BULBS INTERLOCKS (PRINT)
Click here to
e-mail RP Brown with any comments you may have.
Click here to visit Rattlebars Mfg. for Valkyrie VTX and 1800 Wing accessories!
[Join the Valkyrie Riders Cruiser Club. It's Free! 25,000+ members and growing!] [Join the VOAi]